
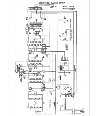
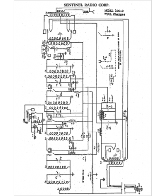
Marque :
Sentinel
Modèle :
106-B
Type appareil :
récepteur à tubes
Année :
1930
Pays d'origine :
États-Unis
