
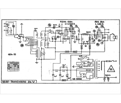
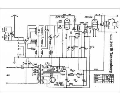
Marque :
Seibt
Modèle :
Tannenberg 214 w
Type appareil :
récepteur à tubes
Année :
1934
Pays d'origine :
Allemagne
