
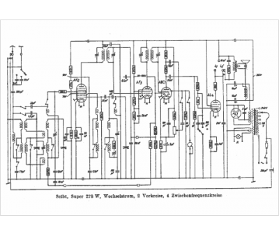
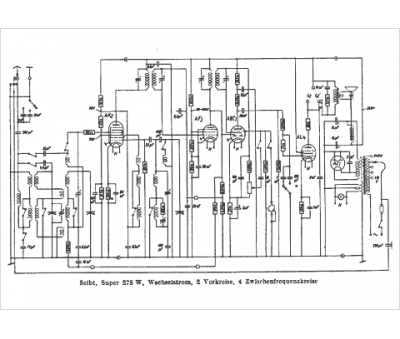
Marque :
Seibt
Modèle :
Super 278 w
Type appareil :
récepteur à tubes
Pays d'origine :
Allemagne
