
Marque :
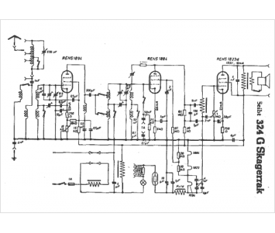
Seibt
Modèle :
Skagerrak 324 G
Type appareil :
récepteur à tubes
Pays d'origine :
Allemagne
