
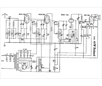
Marque :
Seibt
Modèle :
Roland 43 w
Type appareil :
récepteur à tubes
Année :
1933
Pays d'origine :
Allemagne
