
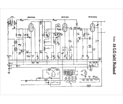
Marque :
Seibt
Modèle :
Roland 33 LG
Type appareil :
récepteur à tubes
Pays d'origine :
Allemagne
