
Marque :
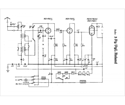
Seibt
Modèle :
Roland 3 P-PL
Type appareil :
récepteur à tubes
Pays d'origine :
Allemagne
