
Marque :
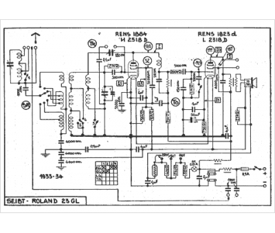
Seibt
Modèle :
Roland 23 gl
Type appareil :
récepteur à tubes
Année :
1933
Pays d'origine :
Allemagne
