
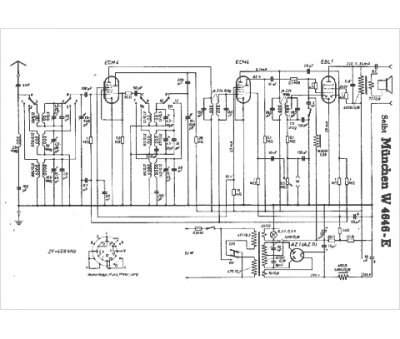
Marque :
Seibt
Modèle :
Munchen W 4646E
Type appareil :
récepteur à tubes
Pays d'origine :
Allemagne
