
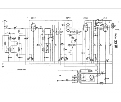
Marque :
Seibt
Modèle :
33 W
Type appareil :
récepteur à tubes
Pays d'origine :
Allemagne
