
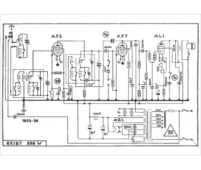
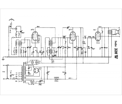
Marque :
Seibt
Modèle :
326 w
Type appareil :
récepteur à tubes
Année :
1935
Pays d'origine :
Allemagne
