
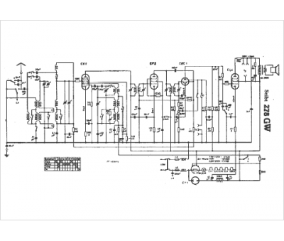
Marque :
Seibt
Modèle :
278 gw
Type appareil :
récepteur à tubes
Pays d'origine :
Allemagne
