
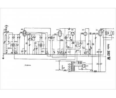
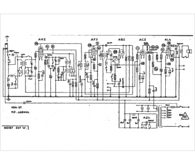
Marque :
Seibt
Modèle :
267 w
Type appareil :
récepteur à tubes
Année :
1936
Pays d'origine :
Allemagne
