
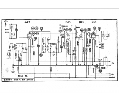
Marque :
Seibt
Modèle :
246 k
Type appareil :
récepteur à tubes
Année :
1935
Pays d'origine :
Allemagne
