
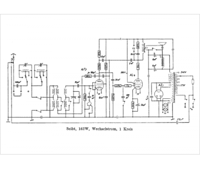
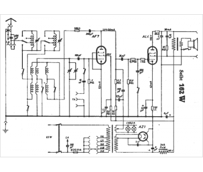
Marque :
Seibt
Modèle :
162w
Type appareil :
récepteur à tubes
Pays d'origine :
Allemagne
