
Marque :
Sears Roebuck
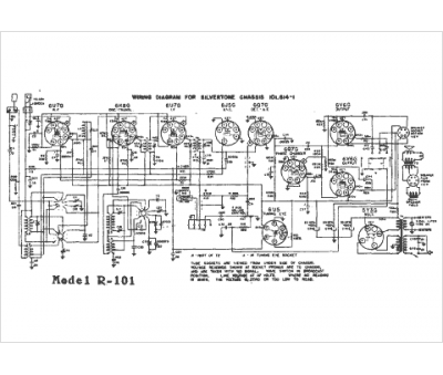
Modèle :
R-101
Type appareil :
récepteur à tubes
Année :
1941
Pays d'origine :
États-Unis
