
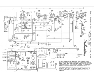
Marque :
Sears Roebuck
Modèle :
8108A
Type appareil :
récepteur à tubes
Année :
1949
Pays d'origine :
États-Unis
