
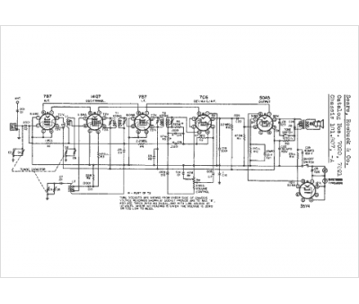
Marque :
Sears Roebuck
Modèle :
7020
Type appareil :
récepteur à tubes
Année :
1948
Pays d'origine :
États-Unis
