
Marque :
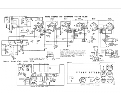
Sears Roebuck
Modèle :
6362
Type appareil :
récepteur à tubes
Année :
1940
Pays d'origine :
États-Unis
