
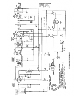
Marque :
Sears Roebuck
Modèle :
528.173
Type appareil :
récepteur à tubes
Année :
1950
Pays d'origine :
États-Unis
