
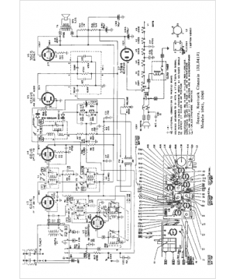
Marque :
Sears Roebuck
Modèle :
5045
Type appareil :
récepteur à tubes
Année :
1955
Pays d'origine :
États-Unis
