
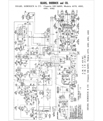
Marque :
Sears Roebuck
Modèle :
4079
Type appareil :
récepteur à tubes
Année :
1964
Pays d'origine :
États-Unis
