
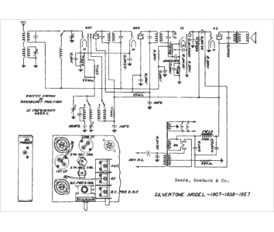
Marque :
Sears Roebuck
Modèle :
1907
Type appareil :
récepteur à tubes
Année :
1938
Pays d'origine :
États-Unis
