
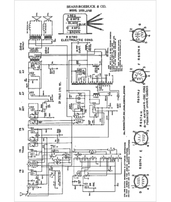
Marque :
Sears Roebuck
Modèle :
1732
Type appareil :
récepteur à tubes
Année :
1934
Pays d'origine :
États-Unis
