
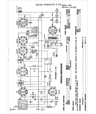
Marque :
Sears Roebuck
Modèle :
110.428
Type appareil :
récepteur à tubes
Année :
1941
Pays d'origine :
États-Unis
