
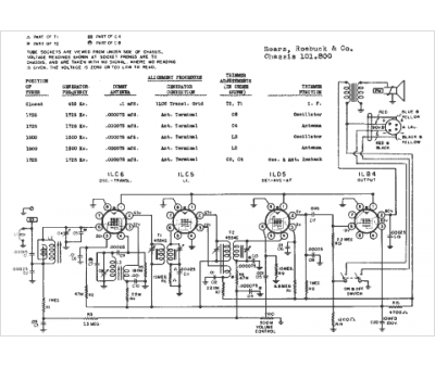
Marque :
Sears Roebuck
Modèle :
101.800
Type appareil :
récepteur à tubes
Année :
1946
Pays d'origine :
États-Unis
