
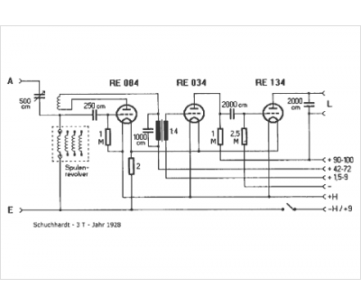
Marque :
Schuchardt
Modèle :
3T
Type appareil :
récepteur à tubes
Pays d'origine :
Allemagne
