
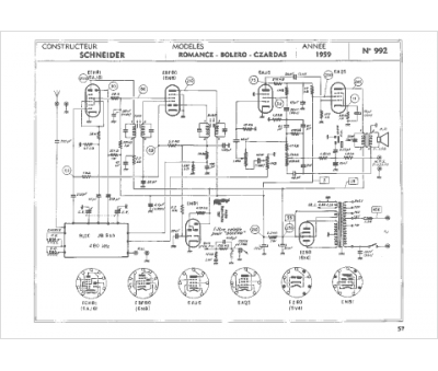
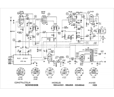
Marque :
Schneider
Modèle :
Romance 59
Type appareil :
récepteur à tubes
Année :
1959
Pays d'origine :
France, Allemagne
