
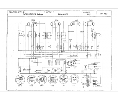
Marque :
Schneider
Modèle :
Romance 52
Type appareil :
récepteur à tubes
Année :
1952
Pays d'origine :
France, Allemagne
