
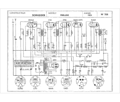
Marque :
Schneider
Modèle :
Prélude
Type appareil :
récepteur à tubes
Année :
1951
Pays d'origine :
France, Allemagne
