
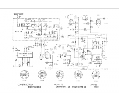
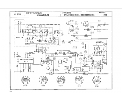
Marque :
Schneider
Modèle :
Orchestre 58
Type appareil :
récepteur à tubes
Année :
1958
Pays d'origine :
France, Allemagne
