
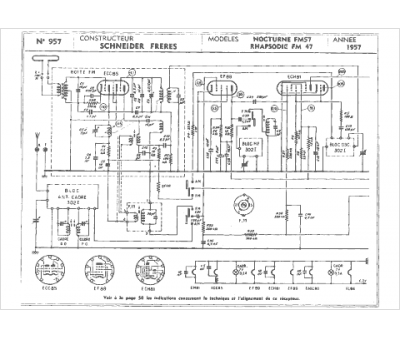
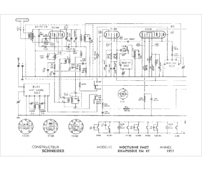
Marque :
Schneider
Modèle :
Nocturne FM 57
Type appareil :
récepteur à tubes
Année :
1957
Pays d'origine :
France, Allemagne
