
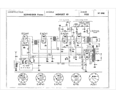
Marque :
Schneider
Modèle :
Menuet 49
Type appareil :
récepteur à tubes
Année :
1950
Pays d'origine :
France, Allemagne
