
Marque :
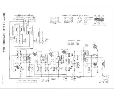
Schneider
Modèle :
Hoppy
Type appareil :
récepteur à transistors
Pays d'origine :
France, Allemagne
