
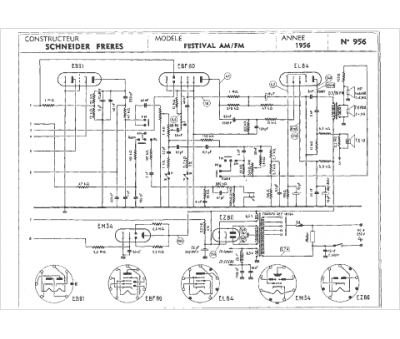
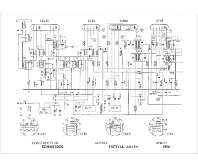
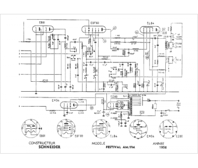
Marque :
Schneider
Modèle :
Festival am fm
Type appareil :
récepteur à tubes
Année :
1956
Pays d'origine :
France, Allemagne
