
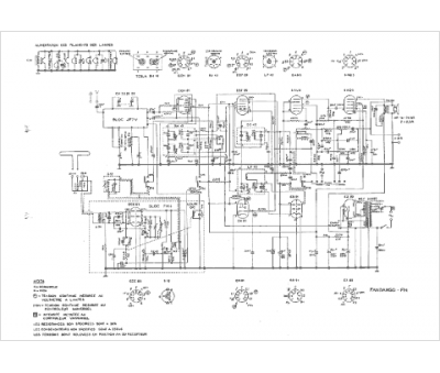
Marque :
Schneider
Modèle :
Fandango FM
Type appareil :
récepteur à tubes
Pays d'origine :
France, Allemagne
