
Marque :
Schneider
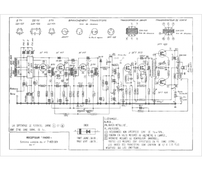
Modèle :
Fado
Type appareil :
récepteur à transistors
Pays d'origine :
France, Allemagne
