
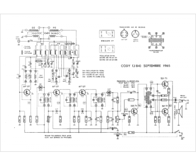
Marque :
Schneider
Modèle :
Cody J84
Type appareil :
récepteur à transistors
Pays d'origine :
France, Allemagne
