
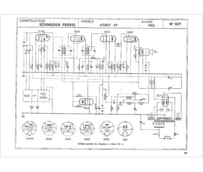
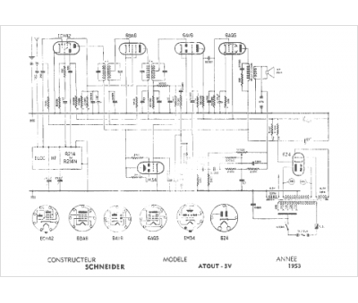
Marque :
Schneider
Modèle :
Atout 3V
Type appareil :
récepteur à tubes
Année :
1953
Pays d'origine :
France, Allemagne
