
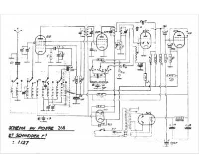
Marque :
Schneider
Modèle :
268
Type appareil :
récepteur à tubes
Pays d'origine :
France, Allemagne
