
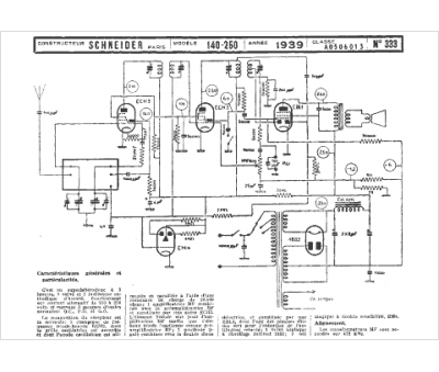
Marque :
Schneider
Modèle :
140
Type appareil :
récepteur à tubes
Année :
1939
Pays d'origine :
France, Allemagne
