
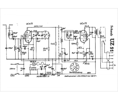
Marque :
Schaub
Modèle :
UZ 51
Type appareil :
récepteur à tubes
Pays d'origine :
Allemagne
