
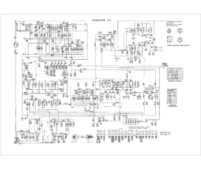
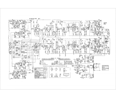
Marque :
Schaub
Modèle :
ST 4500
Type appareil :
récepteur à transistors
Pays d'origine :
Allemagne
