
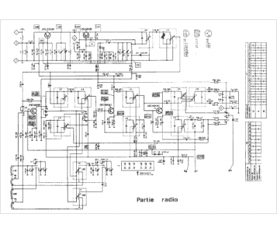
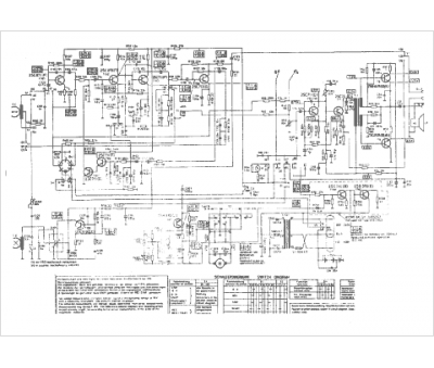
Marque :
Schaub
Modèle :
SL 75
Type appareil :
récepteur à transistors
Pays d'origine :
Allemagne
