
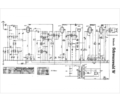
Marque :
Schaub
Modèle :
Scharzwald W
Type appareil :
récepteur à tubes
Pays d'origine :
Allemagne
