
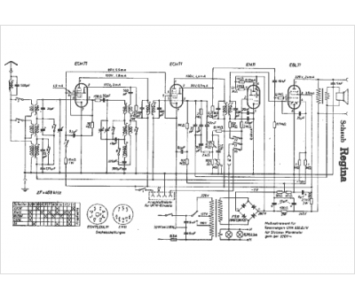
Marque :
Schaub
Modèle :
Regina
Type appareil :
récepteur à tubes
Pays d'origine :
Allemagne
