
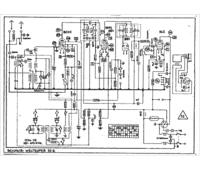
Marque :
Schaub Lorenz
Modèle :
Weltsuper 35 g
Type appareil :
récepteur à tubes
Année :
1934
