Retour à l'accueil
 
 
Recherche de schémas
Collection CD/DVD

Service schémathèque 

2 documents correspondent à votre recherche.

Caractéristiques de l'appareil
Marque :
Schaub Lorenz
Modèle :
Savoy 10
Type appareil :
récepteur à tubes
2 documents correspondant à cet appareil
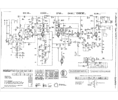
Schéma Schaub Lorenz Savoy 10
1 page
Document présent dans Rétro-schémas 2 Acheter
En ligne, disponible en téléchargement Télécharger
no photo
Schéma Schaub Lorenz Savoy 10
Langue  : allemand
4 pages.
Doc complémentaire s. demande Demander
La consultation de cet espace schémathèque est en accès libre.