
Marque :
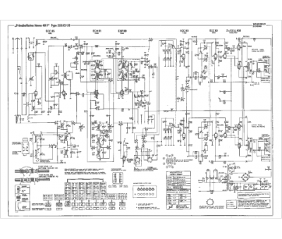
Schaub Lorenz
Modèle :
Primaballerina 40F
Type appareil :
récepteur à tubes
Année :
1964
