
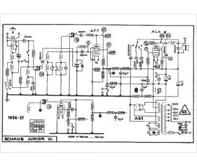
Marque :
Schaub Lorenz
Modèle :
Junior w
Type appareil :
récepteur à tubes
Année :
1936
